
【ZIP!キテルネで紹介されました!】 毛布 NERUS 【正規品】 ふわとろ毛布 もこもこ毛布 ブランケット モコモコ とろとろ ふわふわ 毛布 シングル セミダブル ダブル ハーフ ふわもこ…

NEC Express ftサーバ保守 他社で保守延長を断られがちのフォールト・トレラントサーバもデータライブが対応

フォールトトレラント fault(あやまち) tolerant(寛容)

ラグ 洗える 1畳 1.5畳 2畳 3畳 4畳 洗えるラグ おしゃれ 北欧 防ダニ 冬 床暖房対応 オールシーズン 滑り止め マット ラグマット カーペット ラグカーペット センターラグ 正方形…

中が透けない 壁付き チェスト スリム/ワイド 幅34/54 奥行41.5/41.7 高さ66.1/86.1/106.1cm タンス 衣装ケース 収納ケース プラスチック 引き出し 洗面所 収納…

\上半期ランキング2025受賞/掛け布団 洗える 布団 シングル セミダブル ダブル シンサレート 暖かい 洗濯 丸洗い 軽量 軽い 冬 冬用 冬掛け布団 毛布 掛け毛布 リバーシブル おしゃれ…

ASCII.jpNEC、フォールトトレラントサーバー“Express5800/ft サーバ”のローエンドモデルを発売

イギリスのヴィンテージハンドルをモデルにして作られた真鍮ドアハンドル。 1つずつ丁寧に鋳造することにより生まれる、無駄のない美しいデザインが魅力です。 またそのなめらかに仕上げられた表面は手触りも良く、ずっしりとした重厚感は一般的な真鍮金物にはない存在感があります。 こちらの真鍮ドアハンドルは経年変化によって徐々に色合いが濃くなってきます。そして使えば使うほど、表面が酸化して独特の深い味わいが出てきます。年月とともに人と場所に馴染んでいく、愛着の湧くアイテムです。 リビングやキッチン・トイレなど場所を選ばずにご使用いただけます。もちろんショップドアにもオススメです。 #真鍮ドアハンドル #ドアハンドル #ハンドル #ブラスバー #真鍮 #真鍮取っ手 #インテリア #家づくり #店づくり #建築 #新築 #店舗 #リノベーション #マンション #暮らし #ライフスタイル Gold Bracelet, Bracelets, Nail Clippers, Beauty, Jewelry, Jewlery, Jewerly, Schmuck, Jewels

【LINE登録で300円クーポン】【一部カラー20%引!】 販売累計12万枚! ラグ 洗える シエロ ラグマット キルトラグ 絨毯 北欧 おしゃれ くすみ カーペット 95×130 130×190…

AWSのフルマネージド型 ETL サービス『AWS Glue』の紹介動画を観て来たるべきリリースに向けて情報収集してみる

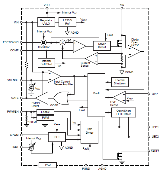
A8502:広範な入力電圧範囲の高効率フォールト トレラント LED ドライバ

兵庫県西宮市で災害情報の発信や被災状況の把握に役立つシステムを構築、NEC:ICT

30日0時〜24時P10倍!【ジャンル大賞!】 ラグ 洗える 1畳 1.5畳 2畳 3畳 4畳 洗えるラグ おしゃれ 北欧 防ダニ 冬 床暖房対応 オールシーズン 滑り止め マット ラグマット…

デュアルシステムとは?デュプレックスシステムとの違いやメリット・デメリット、活用事例までわかりやすく解説!

【1点1,893円~ 2点購入&クーポンで】もこもこ毛布 ふわとろ ブランケット フランネル生地 洗濯機対応 軽量 マイクロファイバー 静電気防止 秋冬 プレゼント ギフト(T)【予約販売】